Development Background
The WT2605C Bluetooth Voice Chip addresses the rapidly growing demand for smarter blood glucose meters by combining high‑quality voice broadcasting with reliable Bluetooth data transmission. As global diabetes cases are projected to rise from 537 million in 2025 to 783 million by 2045, this technology plays a crucial role in enhancing accessibility, enabling real‑time alerts, seamless mobile connectivity, and low‑power operation—especially for elderly users and high‑risk regions.
Voice and Bluetooth technologies both play key roles in blood glucose meters, mainly in:
- Voice broadcast of results, allowing users to know measurement data without checking the screen.
- Smart connection and recording, pairing with mobile devices via Bluetooth for data tracking and remote monitoring.
- Low power consumption design, ensuring long-term use.
- Convenient operation, supporting remote control through mobile apps.
- Alerts and notifications, promptly informing users of abnormal glucose levels.
These functions greatly improve the intelligence and user convenience of blood glucose meters.
The WT2605C Bluetooth voice chip project targets this rapidly growing market by providing chip solutions optimized for audio transmission and Bluetooth transmission. The project requires support for multiple Bluetooth protocols and standard AT command interfaces, ensuring easy integration into smart device ecosystems and improving device interoperability.

Advantages of the WT2605C Solution
Simple AT Command Operation
Using industry-standard AT command sets, developers can configure chip parameters, control behavior, query status, and perform diagnostics. A built-in efficient command parser quickly identifies and executes received AT commands, enabling precise control of all chip functions.
Developers can easily implement local audio playback and Bluetooth audio playback through AT commands, enhancing the user experience. AT commands communicate via UART interface and also support BLE-based AT command communication.
In Bluetooth mode, connections with Android, iOS, laptops, and car Bluetooth are supported for playback control.
Large-Capacity External Storage Support
Besides internal storage for prompts, the chip supports external storage devices (Flash, TF card, USB drive) for user-defined audio data.
The chip supports virtual USB disk function. When connected to a computer’s USB port, stored audio can be accessed and replaced without extra devices. With BLE AT command communication, users can wirelessly create, delete, and manage audio files, offering an alternative for products not convenient for USB updates.
Comprehensive Bluetooth Protocol Support
Supports BLE, HFP, AVRCP, A2DP, and more. Complies with Bluetooth SIG standards such as Bluetooth 4.0, 5.0, and 5.3, ensuring interoperability. Supports BLE for data transmission as well as classic audio protocols (A2DP, HFP, AVRCP), enabling high-quality audio transmission with low latency.
High-Quality Local Audio Playback
Supports multiple audio formats with high-quality output. Built-in codecs (AMR, AAC, SBC, LC3) ensure audio compression and decompression quality. Integrated DSP algorithms remove noise, suppress echo, and enhance clarity.
High Integration and Low Cost
Integrates RF front end, baseband processor, voice processor, memory, and power management in a single chip. Reduces size, cost, and peripheral component needs. Low-power design ensures minimal consumption even in sleep mode. Developers can omit external modules such as power management, voice processors, or RF transmitters.
Application in Bluetooth Voice Blood Glucose Meters
The system consists of a glucose sensor, a measurement host, and the WT2605C Bluetooth voice chip. The host CPU processes glucose sensor data and communicates with the chip via UART.
Design Block Diagram

(Application framework illustration)
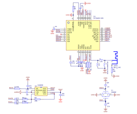
WT2605C Circuit Diagram

(Circuit reference diagram)
Only minimal external components are required. LM4890 amplifier module enhances audio output for clear playback, aiding elderly users with hearing difficulty.
Implementation Principle
WT2605C supports broadcast and connection modes.
- Broadcast mode: BLE data is transmitted transparently to smart terminals (iOS/Android) without pairing.
- Connection mode: Data is securely transmitted via a dedicated channel with paired devices.
When powered, the chip broadcasts BLE signals, discoverable by mobile apps. Upon pairing, the app sends data to the chip, which relays instructions to the host (e.g., “Start Test”) and broadcasts results via voice. The chip forwards data to the app for result display.
WT2605C Chip Features
- Dual-mode Bluetooth: audio + data, version 5.3 + BR + EDR + BLE
- Supported protocols: A2DP, AVCTP, AVDTP, AVRCP, HFP, SPP, SMP, ATT, GAP, GATT, RFCOMM, SDP, L2CAP
- Audio decoding: SBC, AAC
- Supports music lyric/album cover push
- Supports call functions, caller ID, phonebook, and call log push
- BLE data transmission, PHY rate 2M
- Supports BLE host, slave, and combined modes
- Storage support: up to 128Mbit SPI-Flash, 32G TF card, 32G USB; cross-copying between devices supported; firmware updates via TF/USB
- File systems: FAT, FAT32
- Control: AT interface, baud rate 115200
- Default power-up: no playback, BUSY pin indicates playback status
- Audio output: DAC stereo
- High-quality formats: MP3, WAV (8 kbps–320 kbps)
- Operating voltage: 2.8V–5.0V
- Default Bluetooth name: BT_WT2605C
- Crystal parameter: 24 MHz, ±10 PPM
- Displays battery icon when paired with phone; >4.2V shows 100%
- Connection distance: within 10 m (layout per circuit design)
- Two operation modes: Bluetooth mode (default) and Audio mode (Flash/TF/USB playback). Switch with AT+CHMODE command. Cannot run simultaneously.
- In MP3 mode: TF card prioritized over USB. Supports hot-swapping.
- Codec: 16-bit stereo DAC, dual-channel 16-bit ADC
- ADC SNR: 90 dB
- Default power-up: Bluetooth mode. Successful connection returns BT_STA:6; disconnection returns BT_STA:9
| If you’re looking for a suitable voice chip for your company’s products, feel free to contact us anytime: just take 30 seconds to fill out a short form. Our team will get in touch with you as soon as possible to provide free samples and a detailed quote. We are WayTronic, founded in 1999, with over 25 years of experience specializing in custom voice chip solutions. Backed by a team of 100+ senior engineers, we can precisely meet the diverse needs of different products. We also offer one-on-one selection guidance and technical support to help you find a practical and cost-effective voice chip with minimal effort. We look forward to working with you for mutual success! |

Get In Touch
- +86-755-29606626
- +86-755-29605099
- +86 182 2949 8144
- [email protected]
Hours
- Mon-Fri 8:30AM – 6:00PM
- Sat 8:30AM – 6:00PM







